
Описание аналога RINGSPANN в PDF![]()
|
Обгонная муфта STIEBER |
Размер |
|
|
|
|
|
|
|
Weight | |||||||
|
|
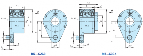
dh7 |
T1) |
n2) |
n3) |
D |
D2 |
C |
L1 |
L2 |
L3 |
L4 |
F |
E |
L5 |
f |
|
|
STIEBER RIZ-G3G2 30 |
30 |
375 |
780 |
9000 |
100 |
45 |
16 |
68 |
88 |
14 |
18 |
92 |
68 |
15 |
1.0 |
4.5 |
|
STIEBER RIZ-G3G2 35 |
35 |
550 |
740 |
8500 |
110 |
50 |
20 |
74 |
96 |
18 |
25 |
102 |
76 |
17 |
1.0 |
5.6 |
|
STIEBER RIZ-G3G2 40 |
40 |
800 |
720 |
7500 |
125 |
55 |
20 |
86 |
109 |
18 |
25 |
112 |
85 |
18 |
1.5 |
8.5 |
|
STIEBER RIZ-G3G2 45 |
45 |
912 |
665 |
6600 |
130 |
60 |
25 |
86 |
109 |
22 |
25 |
120 |
90 |
18 |
1.5 |
8.9 |
|
STIEBER RIZ-G3G2 50 |
50 |
1400 |
610 |
6000 |
150 |
70 |
25 |
94 |
116 |
22 |
25 |
135 |
102 |
18 |
1.5 |
12.8 |
|
STIEBER RIZ-G3G2 60 |
60 |
2350 |
490 |
5300 |
170 |
80 |
32 |
114 |
139 |
25 |
30 |
145 |
112 |
20 |
2.0 |
19.3 |
|
STIEBER RIZ-G3G2 70 |
70 |
3050 |
480 |
4100 |
190 |
90 |
38 |
134 |
168 |
30 |
35 |
175 |
135 |
26 |
2.5 |
23.5 |
|
STIEBER RIZ-G3G2 80 |
80 |
4500 |
450 |
3600 |
210 |
105 |
38 |
144 |
178 |
30 |
35 |
185 |
145 |
26 |
2.5 |
32 |
|
STIEBER RIZ-G3G2 90 |
90 |
5600 |
420 |
2700 |
230 |
120 |
50 |
158 |
192 |
40 |
45 |
205 |
155 |
26 |
3.0 |
47.2 |
|
STIEBER RIZ-G3G2 100 |
100 |
10500 |
455 |
2700 |
270 |
140 |
50 |
182 |
217 |
40 |
45 |
230 |
180 |
26 |
3.0 |
76 |
|
STIEBER RIZ-G3G2 130 |
130 |
15750 |
415 |
2400 |
310 |
160 |
68 |
212 |
250 |
55 |
60 |
268 |
205 |
28 |
3.0 |
110 |