
Описание аналога RINGSPANN в PDF![]()
|
Обгонная муфта STIEBER |
Размер |
|
|
|
|
|
|
|
|
Weight | |||
|
|
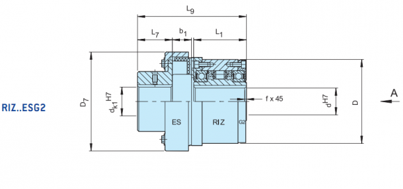
dh7 |
ES |
T |
n1) |
n2) |
n3) |
D |
L1 |
D7 |
L7 [mm] |
L9 |
b1 |
[kg] |
|
STIEBER RIZ_ESG2_30 |
30 |
10 |
80 |
350 |
780 |
9000 |
100 |
68 |
114 |
47 |
133.5 |
17 |
5.0 |
|
STIEBER RIZ-ESG2_35 |
35 |
16 |
250 |
320 |
740 |
8500 |
110 |
74 |
127 |
52 |
143.5 |
19 |
6.6 |
|
STIEBER RIZ_ESG2_40 |
40 |
25 |
400 |
315 |
720 |
7500 |
125 |
86 |
143 |
57 |
163.5 |
22 |
9.9 |
|
STIEBER RIZ_ESG2_45 |
45 |
40 |
625 |
285 |
665 |
6600 |
130 |
86 |
158 |
61 |
171.5 |
26 |
11.3 |
|
STIEBER RIZ_ESG2_50 |
50 |
63 |
1000 |
265 |
610 |
6000 |
150 |
94 |
181 |
67 |
194 |
30 |
16.7 |
|
STIEBER RIZ_ESG2_60 |
60 |
100 |
1600 |
200 |
490 |
5300 |
170 |
114 |
202 |
75 |
227 |
35 |
24.0 |
|
STIEBER RIZ_ESG2_70 |
70 |
160 |
2500 |
210 |
480 |
4100 |
190 |
134 |
230 |
82 |
261.5 |
41 |
32.5 |
|
STIEBER RIZ_ESG2_80 |
80 |
250 |
4000 |
190 |
450 |
3600 |
210 |
144 |
257 |
89 |
285 |
47 |
44.2 |
|
STIEBER RIZ_ESG2_90 |
90 |
400 |
5600 |
180 |
420 |
2700 |
230 |
158 |
294 |
97 |
319.5 |
56 |
65 |
|
STIEBER RIZ_ESG2_100 |
100 |
630 |
9500 |
200 |
455 |
2700 |
270 |
182 |
330 |
116 |
361 |
64 |
105 |
|
STIEBER RIZ_ESG2_130 |
130 |
1000 |
15750 |
180 |
415 |
2400 |
310 |
212 |
378 |
140 |
417 |
75 |
163 |