
Описание аналога RINGSPANN в PDF
![]()
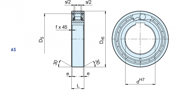
|
Обгонная муфта Stieber |
Размер |
|
Скорости |
|
Вес |
Drag torque |
||||||
|
|
dHI |
T 1) |
imax[min-1] |
n3)amax[min-1] |
Dr6[mm] |
D5[mm] |
L |
s |
e |
f |
[kg] |
[Ncm] |
|
STIEBER AS6 (NSS6) |
6 |
2,10 |
5000 |
7500 |
19 |
15,8 |
6 |
0,3 |
0,6 |
0,3 |
0,01 |
0,18 |
|
STIEBER AS8(NSS8) |
8 |
3,8 |
4300 |
6500 |
24 |
20 |
8 |
1,3 |
0,6 |
0,6 |
0,02 |
0,24 |
|
STIEBER AS10(NSS10) |
10 |
6,8 |
3500 |
5200 |
30 |
25,9 |
9 |
1,3 |
0,6 |
0,6 |
0,03 |
0,36 |
|
STIEBER AS12(NSS12) |
12 |
13 |
3200 |
4800 |
32 |
28 |
10 |
1,3 |
0,6 |
0,6 |
0,04 |
0,48 |
|
STIEBER AS15(NSS15) |
15 |
14 |
2800 |
4300 |
35 |
31 |
11 |
1,4 |
0,6 |
0,6 |
0,05 |
0,70 |
|
STIEBER AS20(NSS20) |
20 |
40 |
2200 |
3300 |
47 |
40 |
14 |
2,4 |
0,8 |
0,8 |
0,12 |
1,4 |
|
STIEBER AS25(NSS25) |
25 |
56 |
1900 |
2900 |
52 |
45,9 |
15 |
2,4 |
0,8 |
0,8 |
0,14 |
2,4 |
|
STIEBER AS30(NSS30) |
30 |
90 |
1600 |
2400 |
62 |
55 |
16 |
2,4 |
0,8 |
1 |
0,22 |
7,8 |
|
STIEBER AS35(NSS35) |
35 |
143 |
1300 |
2000 |
72 |
64 |
17 |
2,5 |
0,8 |
1 |
0,31 |
9,0 |
|
STIEBER AS40(NSS40) |
40 |
185 |
1200 |
1800 |
80 |
72 |
18 |
2,5 |
0,8 |
1 |
0,39 |
10 |
|
STIEBER AS45(NSS45) |
45 |
218 |
1000 |
1600 |
85 |
77 |
19 |
2,5 |
1,2 |
1 |
0,44 |
11 |
|
STIEBER AS50(NSS50) |
50 |
230 |
950 |
1500 |
90 |
82 |
20 |
2,5 |
1,2 |
1 |
0,49 |
13 |
|
STIEBER AS55(NSS55) |
55 |
308 |
800 |
1300 |
100 |
90 |
21 |
2,5 |
1,2 |
1 |
0,66 |
14 |
|
STIEBER AS60(NSS60) |
60 |
508 |
700 |
1100 |
110 |
100 |
22 |
2,5 |
1,2 |
1,5 |
0,81 |
26 |
|
STIEBER AS80(NSS80) |
80 |
1063 |
600 |
900 |
140 |
128 |
26 |
2,5 |
1,2 |
1,5 |
1,41 |
58 |