
Описание аналога RINGSPANN в PDF
![]()
|
Обгонная муфта STIEBER |
Размер |
|
Скорости |
|
Вес |
Drag torque |
||||||||
|
|
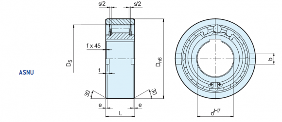
dH7 [mm] |
T 1) KN[Nm] |
nimax2)imax[min-1] |
namax3)amax[min-1] |
Dn6 [mm] |
L [mm] |
D5 [mm] |
b [mm] |
t [mm] |
s [mm] |
e [mm] |
f [mm] |
[kg] |
[Ncm] |
|
STIEBER ASNU8 |
8 |
12 |
3300 |
5000 |
35 |
13 |
28 |
4 |
1,4 |
2,4 |
0,6 |
0,3 |
0,07 |
1,6 |
|
STIEBER ASNU12 |
12 |
12 |
3300 |
5000 |
35 |
13 |
28 |
4 |
1,4 |
2,4 |
0,6 |
0,3 |
0,06 |
1,6 |
|
STIEBER ASNU15 |
15 |
30 |
2400 |
3600 |
42 |
18 |
37 |
5 |
1,8 |
2,4 |
0,8 |
0,3 |
0,11 |
1,9 |
|
STIEBER ASNU17 |
17 |
49 |
2300 |
3400 |
47 |
19 |
40 |
5 |
2,3 |
2,4 |
1,2 |
0,8 |
0,15 |
1,9 |
|
STIEBER ASNU20 |
20 |
78 |
2100 |
3100 |
52 |
21 |
42 |
6 |
2,3 |
2,4 |
1,2 |
0,8 |
0,19 |
1,9 |
|
STIEBER ASNU25 |
25 |
125 |
1700 |
2600 |
62 |
24 |
51 |
8 |
2,8 |
2,4 |
1,2 |
0,8 |
0,38 |
5,6 |
|
STIEBER ASNU30 |
30 |
255 |
1400 |
2200 |
72 |
27 |
60 |
10 |
2,5 |
2,4 |
1,8 |
1 |
0,54 |
14 |
|
STIEBER ASNU35 |
35 |
383 |
1200 |
1900 |
80 |
31 |
70 |
12 |
3,5 |
2,4 |
1,8 |
1 |
0,74 |
16 |
|
STIEBER ASNU40 |
40 |
538 |
1100 |
1700 |
90 |
33 |
78 |
12 |
4,1 |
2,5 |
1,8 |
1 |
0,92 |
38 |
|
STIEBER ASNU45 |
45 |
780 |
1000 |
1600 |
100 |
36 |
85 |
14 |
4,6 |
2,5 |
1,8 |
1 |
1,31 |
43 |
|
STIEBER ASNU50 |
50 |
1013 |
850 |
1350 |
110 |
40 |
92 |
14 |
5,6 |
2,5 |
1,8 |
1 |
1,74 |
55 |
|
STIEBER ASNU60 |
60 |
1825 |
750 |
1050 |
130 |
46 |
110 |
18 |
5,5 |
3,6 |
2,6 |
1,5 |
2,77 |
110 |
|
STIEBER ASNU70 |
70 |
2300 |
600 |
950 |
150 |
51 |
125 |
20 |
6,9 |
3,6 |
2,6 |
1,5 |
4,16 |
140 |
|
STIEBER ASNU80 |
80 |
3275 |
550 |
850 |
170 |
58 |
140 |
20 |
7,5 |
3,6 |
2,6 |
1,5 |
6,09 |
180 |
|
STIEBER ASNU90 |
90 |
5325 |
500 |
750 |
190 |
64 |
160 |
20 |
8,0 |
3,6 |
2,6 |
2 |
8,2 |
230 |
|
STIEBER ASNU100 |
100 |
7250 |
450 |
680 |
215 |
73 |
175 |
24 |
8,5 |
3,6 |
2,6 |
2 |
12,6 |
380 |
|
STIEBER ASNU120 |
120 |
13500 |
370 |
550 |
260 |
86 |
215 |
28 |
10 |
3,6 |
2,6 |
2,5 |
22 |
650 |
|
STIEBER ASNU150 |
150 |
26625 |
300 |
460 |
320 |
108 |
260 |
32 |
12 |
3,6 |
3,6 |
2,5 |
42 |
1000 |
|
STIEBER ASNU200 |
200 |
44500 |
230 |
350 |
420 |
138 |
350 |
45 |
16 |
7,6 |
3,6 |
3 |
93 |
2000 |