
Описание аналога RINGSPANN в PDF
![]()
|
Обгонная муфта STIEBER |
Размер |
|
Скорости |
|
Вес |
Drag torque |
|||||||||
|
|
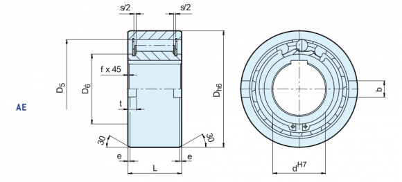
dH7 |
T 11 |
imax |
n31 |
|
D5 |
D6 |
L |
s |
f |
e |
b |
t |
|
|
|
|
[mm] |
[Nm] |
[min-1] |
[min-1] |
[mm] |
[mm] |
[mm] |
[mm] |
[mm] |
[mm] |
[mm] |
[mm] |
[mm] |
[kg] |
[Ncm] |
|
stieber AE12 |
12 |
17 |
3100 |
6000 |
37 |
28 |
20 |
20 |
4,5 |
0,5 |
0,8 |
6 |
3 |
0,11 |
0,7 |
|
stieber AE15 |
15 |
55 |
2300 |
5400 |
47 |
37 |
26 |
30 |
4,5 |
0,8 |
1,2 |
7 |
3,5 |
0,30 |
3,5 |
|
stieber AE20 |
20 |
146 |
2000 |
3600 |
62 |
50 |
35 |
34 |
5,5 |
0,8 |
1,2 |
8 |
3,5 |
0,55 |
8,4 |
|
stieber AE25 |
25 |
285 |
1700 |
2600 |
80 |
68 |
45 |
37 |
6,5 |
1 |
1,8 |
9 |
4 |
0,98 |
14 |
|
stieber AE30 |
30 |
500 |
1500 |
2100 |
90 |
75 |
50 |
44 |
6,2 |
1 |
1,8 |
12 |
5 |
1,50 |
23 |
|
stieber AE35 |
35 |
720 |
1300 |
1950 |
100 |
80 |
55 |
48 |
3,8 |
1 |
1,8 |
13 |
6 |
2,00 |
60 |
| stieber AE40 |
40 |
1030 |
1200 |
1700 |
110 |
90 |
60 |
56 |
3,8 |
1,5 |
1,8 |
15 |
7 |
2,80 |
72 |
|
stieber AE45 |
45 |
1125 |
1050 |
1600 |
120 |
95 |
65 |
56 |
3,8 |
1,5 |
2,6 |
16 |
7 |
3,30 |
140 |
|
stieber AE50 |
50 |
2150 |
950 |
1300 |
130 |
110 |
75 |
63 |
5,8 |
1,5 |
2,6 |
17 |
8 |
4,20 |
180 |
|
stieber AE55 |
55 |
2675 |
850 |
1200 |
140 |
115 |
82 |
67 |
3,8 |
2 |
2,6 |
18 |
9 |
5,20 |
190 |
|
stieber AE60 |
60 |
3500 |
800 |
1100 |
150 |
125 |
90 |
78 |
7,6 |
2 |
2,6 |
18 |
9 |
6,80 |
240 |
|
stieber AE70 |
70 |
5813 |
650 |
900 |
170 |
140 |
100 |
95 |
7,6 |
2,5 |
2,6 |
20 |
9 |
10,5 |
320 |