Обгонные муфты Stieber серии AA - вся информация | Техноберинг
Вход / Регистрация
Не определено /
Пн-Пт. с 8:00 до 17:30
8 (800) 700-72-07

В Вашем городе отсутствует филиал Technobearing.
Выберите почтовую доставку?

Нет. Выбрать другой город
Каталог товаров
Каталог товаров

Обгонные муфты Stieber серии AA

 

Обгонная муфта STIEBER

Размер

 

Скорости

 

Вес

Drag torque

 

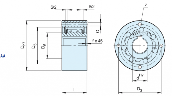
dH7

T 1)
KN

nimax2)imax

namax3)amax

Dh7

L

D5

D6

D3

Z

O

f

s

 

 

 

[mm]

[Nm]

[min-1]

[min-1]

[mm]

[mm]

[mm]

[mm]

[mm]

 

[mm]

[mm]

[mm]

[kg]

[Ncm]

 Stieber AA12

12

17

3100

6000

47

20

28

20

38

3

5,5

0,5

4,5

0,21

0,7

 Stieber AA15

15

55

2300

5400

55

30

37

26

45

3

5,5

0,8

4,5

0,44

3,5

 Stieber AA20

20

146

2000

3600

68

34

50

35

58

4

5,5

0,8

5,5

0,70

8,4

 Stieber AA25

25

285

1700

2600

90

37

68

45

78

6

5,5

1

6,5

1,30

14

 Stieber AA30

30

500

1500

2100

100

44

75

50

87

6

6,6

1

6,5

2,00

23

Stieber AA35

35

720

1300

1950

110

48

80

55

96

6

6,6

1

6,5

2,60

60

Stieber AA40

   40

1030

1200

1700

125

56

90

60

108

6

9

1,5

7,6

3,90

72

 Stieber AA45

45

1125

1050

1500

130

56

95

65

112

8

9

1,5

7,6

4,00

140

 Stieber AA50

50

2150

950

1300

150

63

110

75

132

8

9

1,5

7,6

6,00

180

 Stieber AA55

55

2675

850

1200

160

67

115

82

138

8

11

2

7,6

7,20

190

 Stieber AA60

60

3500

800

1100

170

78

125

90

150

10

11

2

7,6

9,20

240

 Stieber AA70

70

5813

650

900

190

95

140

100

165

10

11

2,5

7,6

11,8

320