
Описание аналога RINGSPANN в PDF
![]()
|
Обгонная муфта STIEBER |
|
|
|
|
Number of holes xØ |
Corresponding Dc Type |
|||||||||||
|
|
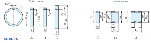
dH7 [mm] |
Lg |
LH |
Lj |
Dj6 |
T |
Di +0.008 |
L |
SAn6 |
b1P10 |
t |
SBs6 |
SCg6 [mm] |
DL±0.1 |
Da ±0.013 [mm] |
||
|
STIEBER DC230 A |
|
|
|
|
|
16 | 72 | 6 | 3,5 | 54,752 |
DC3809A |
||||||
|
STIEBER DC230 B |
|
|
|
|
16 | 72 | 54,752 | ||||||||||
|
STIEBER DC230 C |
|
|
|
|
16 | 95 | 78 | 8x7 | 54,752 | ||||||||
|
STIEBER DC230 G-10 |
10 | 16 |
|
|
|
38,092 |
|
|
|||||||||
|
STIEBER DC230 G-15 |
15 |
16 |
|
|
|
|
38,092 |
|
|
||||||||
|
STIEBER DC230 G-20 |
20 | 16 |
|
|
|
|
38,092 | ||||||||||
|
STIEBER DC230 H-10 |
10 |
|
33 |
|
35 |
17 |
38,092 |
||||||||||
|
STIEBER DC230 H-15 |
15 |
|
33 |
35 |
17 |
38,092 |
|
||||||||||
|
STIEBER DC230 H-20 |
20 | 33 |
35 |
17 | 38,092 |
|
|||||||||||
|
STIEBER DC230 J-10 |
10 |
|
50 | 35 | 17 | 38,092 |
|
||||||||||
|
STIEBER DC230 J-15 |
15 |
|
|
50 |
35 |
17 |
38,092 |
|
|
|
|
||||||
|
STIEBER DC230 J-20 |
20 | 50 |
35 |
17 |
38,092 |
|
|
|
|||||||||
|
STIEBER DC167 A |
|
|
|
16 | 90 | 10 |
5 |
|
|
71,425 |
DC5476A |
||||||
|
STIEBER DC167 B |
|
16 |
|
|
90 |
|
71,425 | ||||||||||
|
STIEBER DC167 C |
|
|
16 |
|
|
110 |
95 |
8x9 | 71,425 | ||||||||
|
STIEBER DC167 G-25 |
25 | 16 |
|
|
54,765 |
|
|
|
|
|
|||||||
|
STIEBER DC167 G-30 |
30 | 16 |
|
|
54,765 |
|
|
|
|
|
|||||||
|
STIEBER DC167 G-35 |
35 | 16 |
|
54,765 |
|
|
|
|
|||||||||
|
STIEBER DC167 H-25 |
25 | 35 |
50 |
19 |
54,765 |
||||||||||||
|
STIEBER DC167 H-30 |
30 | 35 |
50 |
19 |
54,765 |
||||||||||||
|
STIEBER DC167 H-35 |
35 | 35 |
50 |
19 |
54,765 |
||||||||||||
|
STIEBER DC167 J-25 |
25 | 54 |
50 |
19 |
54,765 |
||||||||||||
|
STIEBER DC167 J-30 |
30 | 54 |
50 |
19 |
54,765 |
||||||||||||
| STIEBER DC167 J-30 | 35 | 54 | 50 | 19 | 54,765 | ||||||||||||
| STIEBER DC168 A | 21 | 110 | 14 | 5,5 | 88,877 |
DC7221(5c) DC7221B DC7221B(5c) |
|||||||||||
| STIEBER DC168 B | 21 | 110 | 88,877 | ||||||||||||||
| STIEBER DC168 C | 21 | 140 | 120 | 8x11 | 88,877 | ||||||||||||
| STIEBER DC168 G-40 | 40 | 21 | 72,217 | ||||||||||||||
| STIEBER DC168 G-45 | 45 | 21 | 72,217 | ||||||||||||||
| STIEBER DC168 G-50 | 50 | 21 | 72,217 | ||||||||||||||
| STIEBER DC168 H-40 | 40 | 42 | 65 | 21 | 72,217 | ||||||||||||
| STIEBER DC168 H-45 | 45 | 42 | 65 | 21 | 72,217 | ||||||||||||
| STIEBER DC168 H-50 | 50 | 42 | 65 | 21 | 72,217 | ||||||||||||
| STIEBER DC168 J-40 | 40 | 63 | 65 | 21 | 72,217 | ||||||||||||
| STIEBER DC167 J-45 | 45 | 63 | 65 | 21 | 72,217 | ||||||||||||
| STIEBER DC167 J-50 | 50 | 63 | 65 | 21 | 72,217 | ||||||||||||
| STIEBER DC235 A | 16 | 150 | 20 | 7,5 | 119,891 | DC10323A(5c) | |||||||||||
| STIEBER DC235 B | 16 | 150 | 119,891 | ||||||||||||||
| STIEBER DC235 C | 16 | 190 | 170 | 8x11 | 119,891 | ||||||||||||
| STIEBER DC235 G-55 | 55 | 16 | 103,231 | ||||||||||||||
| STIEBER DC235 G-60 | 60 | 16 | 103,231 | ||||||||||||||
| STIEBER DC235 G-75 | 75 | 16 | 103,231 | ||||||||||||||
| STIEBER DC235 H-55 | 55 | 43 | 100 | 27 | 103,231 | ||||||||||||
| STIEBER DC235 H-60 | 60 | 43 | 100 | 27 | 103,231 | ||||||||||||
| STIEBER DC235 H-75 | 75 | 43 | 100 | 27 | 103,231 | ||||||||||||
| STIEBER DC235 J-55 | 55 | 70 | 100 | 27 | 103,231 | ||||||||||||
| STIEBER DC235 J-60 | 60 | 70 | 100 | 27 | 103,231 | ||||||||||||