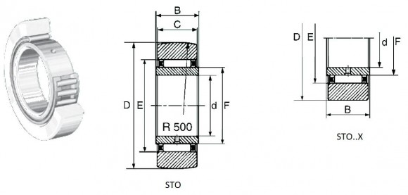
Опорные ролики без бортов с внутренними кольцами серии STO и STO..X
| Диаметр наружный (мм) |
Обозначение | Вес (г) |
Размеры (мм) |
Коэффициенты нагрузки N |
В качестве опорного ролика |
Макс кол-во оборотов |
|||||||
| D | d | Fw | B | C | d1 | Динамическая C |
Статически Co |
Дин. Cw |
Стат. Cow |
||||
| 19 | STO6TN | 17 | 19 | 6 | 10 | 10 | 9,8 | 13 | 4 700 | 5 450 | 3 750 | 4 500 | 20 000 |
| 19 | STO6TN X | 17 | 19 | 6 | 10 | 10 | 9,8 | 13 | 4 700 | 5 450 | 3 750 | 4 500 | 20 000 |
| 24 | STO8TN | 26 | 24 | 8 | 12 | 10 | 9,8 | 15 | 4 800 | 6 000 | 4 000 | 5 225 | 16 000 |
| 24 | STO8TN X | 26 | 24 | 8 | 12 | 10 | 9,8 | 15 | 4 800 | 6 000 | 4 000 | 5 225 | 16 000 |
| 30 | STO10 | 49 | 30 | 10 | 14 | 12 | 11,8 | 20 | 10 200 | 10 500 | 8 400 | 9 200 | 11 000 |
| 30 | STO10 X | 49 | 30 | 10 | 14 | 12 | 11,8 | 20 | 10 200 | 10 500 | 8 400 | 9 200 | 11 000 |
| 32 | STO12 | 57 | 32 | 12 | 16 | 12 | 11,8 | 22 | 11 300 | 12 300 | 8 900 | 10 100 | 9 000 |
| 32 | STO12 X | 57 | 32 | 12 | 16 | 12 | 11,8 | 22 | 11 300 | 12 300 | 8 900 | 10 100 | 9 000 |
| 35 | STO15 | 63 | 35 | 15 | 20 | 12 | 11,8 | 26 | 13 200 | 16 000 | 9 100 | 10 700 | 6 500 |
| 35 | STO15 X | 63 | 35 | 15 | 20 | 12 | 11,8 | 26 | 13 200 | 16 000 | 9 100 | 10 700 | 6 500 |
| 40 | STO17 | 1 07 | 40 | 17 | 22 | 16 | 15,8 | 29 | 19 800 | 25 300 | 14 300 | 17 700 | 5 500 |
| 40 | STO17 X | 1 07 | 40 | 17 | 22 | 16 | 15,8 | 29 | 19 800 | 25 300 | 14 300 | 17 700 | 5 500 |
| 47 | STO20 | 1 52 | 47 | 20 | 25 | 16 | 15,8 | 32 | 20 800 | 27 800 | 16 200 | 21 500 | 4 700 |
| 47 | STO20 X | 1 52 | 47 | 20 | 25 | 16 | 15,8 | 32 | 20 800 | 27 800 | 16 200 | 21 500 | 4 700 |
| 52 | STO25 | 1 77 | 52 | 25 | 30 | 16 | 15,8 | 37 | 23 000 | 33 400 | 16 500 | 22 900 | 3 600 |
| 52 | STO25 X | 1 77 | 52 | 25 | 30 | 16 | 15,8 | 37 | 23 000 | 33 400 | 16 500 | 22 900 | 3 600 |
| 62 | STO30 | 308 | 62 | 30 | 38 | 20 | 19,8 | 46 | 35 200 | 56 700 | 23 300 | 35 000 | 2 500 |
| 62 | STO30 X | 308 | 62 | 30 | 38 | 20 | 19,8 | 46 | 35 200 | 56 700 | 23 300 | 35 000 | 2 500 |
| 72 | STO35 | 441 | 72 | 35 | 42 | 20 | 19,8 | 50 | 35 800 | 58 800 | 26 000 | 41 000 | 2 200 |
| 72 | STO35 X | 441 | 72 | 35 | 42 | 20 | 19,8 | 50 | 35 800 | 58 800 | 26 000 | 41 000 | 2 200 |
| 80 | STO40 | 530 | 80 | 40 | 50 | 20 | 19,8 | 58 | 35 200 | 61 800 | 24 000 | 39 000 | 1 700 |
| 80 | STO40 X | 530 | 80 | 40 | 50 | 20 | 19,8 | 58 | 35 200 | 61 800 | 24 000 | 39 000 | 1 700 |
| 85 | STO45 | 576 | 85 | 45 | 55 | 20 | 19,8 | 63 | 38 900 | 73 900 | 25 500 | 43 000 | 1 500 |
| 85 | STO45 X | 576 | 85 | 45 | 55 | 20 | 19,8 | 63 | 38 900 | 73 900 | 25 500 | 43 000 | 1 500 |
| 90 | STO50 | 61 7 | 90 | 50 | 60 | 20 | 19,8 | 68 | 43 300 | 84 800 | 26 000 | 46 500 | 1 300 |
| 90 | STO50 X | 61 7 | 90 | 50 | 60 | 20 | 19,8 | 68 | 43 300 | 84 800 | 26 000 | 46 500 | 1 300 |
