| Маркировка | Диаметр вала Дюймы |
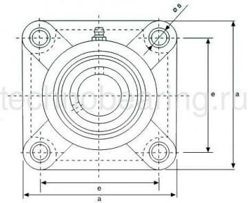
a | e | g | l | s | z | i | Bi | n | Вес | Крепежный винт |
Момент Hm |
| UCF201 | 1/2 | 86 | 63,5 | 13,4 | 27,8 | 11 | 34,6 | 16,3 | 31 | 12,7 | 0,12 | M10 | 18 |
| UCF202 | 9/16 | 86 | 63,5 | 13,4 | 27,8 | 11 | 34,6 | 16,3 | 31 | 12,7 | 0,12 | M10 | 18 |
| UCF202 | 5/8 | 86 | 63,5 | 13,4 | 27,8 | 11 | 34,6 | 16,3 | 31 | 12,7 | 0,12 | M10 | 18 |
| UCF203 | 11/16 | 86 | 63,5 | 13,4 | 27,8 | 11 | 34,6 | 16,3 | 31 | 12,7 | 0,12 | M10 | 18 |
| UCF204 | 3/4 | 86 | 63,5 | 13,4 | 27,8 | 11 | 34,6 | 16,3 | 31 | 12,7 | 0,12 | M10 | 18 |
| UCF205 | 13/16 | 95 | 70 | 14,3 | 28,5 | 11 | 36,7 | 17 | 34 | 14,3 | 0,15 | M10 | 25 |
| UCF205 | 7/8 | 95 | 70 | 14,3 | 28,5 | 11 | 36,7 | 17 | 34 | 14,3 | 0,15 | M10 | 25 |
| UCF205 | 15/16 | 95 | 70 | 14,3 | 28,5 | 11 | 36,7 | 17 | 34 | 14,3 | 0,15 | M10 | 25 |
| UCF205 | 1 | 95 | 70 | 14,3 | 28,5 | 11 | 36,7 | 17 | 34 | 14,3 | 0,15 | M10 | 25 |
| UCF206 | 1 1/16 | 107 | 83 | 14,3 | 31,5 | 11 | 41,2 | 19 | 38,1 | 15,9 | 0,18 | M10 | 30 |
| UCF206 | 1 1/8 | 107 | 83 | 14,3 | 31,5 | 11 | 41,2 | 19 | 38,1 | 15,9 | 0,18 | M10 | 30 |
| UCF206 | 1 3/16 | 107 | 83 | 14,3 | 31,5 | 11 | 41,2 | 19 | 38,1 | 15,9 | 0,18 | M10 | 30 |
| UCF206 | 1 1/4 | 107 | 83 | 14,3 | 31,5 | 11 | 41,2 | 19 | 38,1 | 15,9 | 0,18 | M10 | 30 |
| UCF207 | 1 1/4 | 118 | 92 | 15,5 | 34,5 | 13 | 46,9 | 21,5 | 42,9 | 17,5 | 0,25 | M12 | 35 |
| UCF207 | 1 5/16 | 118 | 92 | 15,5 | 34,5 | 13 | 46,9 | 21,5 | 42,9 | 17,5 | 0,25 | M12 | 35 |
| UCF207 | 1 3/8 | 118 | 92 | 15,5 | 34,5 | 13 | 46,9 | 21,5 | 42,9 | 17,5 | 0,25 | M12 | 35 |
| UCF207 | 1 7/16 | 118 | 92 | 15,5 | 34,5 | 13 | 46,9 | 21,5 | 42,9 | 17,5 | 0,25 | M12 | 35 |
| UCF208 | 1 1/2 | 130 | 102 | 17 | 36,5 | 14 | 53,2 | 23 | 49,2 | 19 | 0,36 | M12 | 40 |
| UCF208 | 1 9/16 | 130 | 102 | 17 | 36,5 | 14 | 53,2 | 23 | 49,2 | 19 | 0,36 | M12 | 40 |
| UCF209 | 1 5/8 | 137 | 105 | 19 | 41 | 17 | 54,2 | 24 | 49,2 | 19 | 0,42 | M16 | 45 |
| UCF209 | 1 11/16 | 137 | 105 | 19 | 41 | 17 | 54,2 | 24 | 49,2 | 19 | 0,42 | M16 | 45 |
| UCF209 | 1 3/4 | 137 | 105 | 19 | 41 | 17 | 54,2 | 24 | 49,2 | 19 | 0,42 | M16 | 45 |
| UCF210 | 1 13/16 | 137 | 105 | 19 | 41 | 17 | 54,2 | 24 | 49,2 | 19 | 0,42 | M16 | 45 |
| UCF210 | 1 7/8 | 143 | 111 | 21 | 43 | 17 | 57,6 | 25 | 51,6 | 19 | 0,49 | M16 | 50 |
| UCF210 | 1 15/16 | 143 | 111 | 21 | 43 | 17 | 57,6 | 25 | 51,6 | 19 | 0,49 | M16 | 50 |
| UCF210 | 2 | 143 | 111 | 21 | 43 | 17 | 57,6 | 25 | 51,6 | 19 | 0,49 | M16 | 50 |
| UCF211 | 2 | 143 | 111 | 21 | 43 | 17 | 57,6 | 25 | 51,6 | 19 | 0,49 | M16 | 50 |
| UCF211 | 2 1/16 | 162 | 130 | 20 | 43 | 19 | 63 | 25 | 55,6 | 22,2 | - | M16 | 55 |
| UCF211 | 2 1/8 | 162 | 130 | 20 | 43 | 19 | 63 | 25 | 55,6 | 22,2 | - | M16 | 55 |
| UCF211 | 2 3/16 | 162 | 130 | 20 | 43 | 19 | 63 | 25 | 55,6 | 22,2 | - | M16 | 55 |
| UCF212 | 2 1/4 | 162 | 130 | 20 | 43 | 19 | 63 | 25 | 55,6 | 22,2 | - | M16 | 55 |
| UCF212 | 2 5/16 | 175 | 143 | 20 | 48 | 19 | 73,5 | 29 | 65,1 | 25,4 | - | M16 | 60 |
| UCF212 | 2 3/8 | 175 | 143 | 20 | 48 | 19 | 73,5 | 29 | 65,1 | 25,4 | - | M16 | 60 |
| UCF212 | 2 7/16 | 175 | 143 | 20 | 48 | 19 | 73,5 | 29 | 65,1 | 25,4 | - | M16 | 60 |

