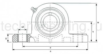
| Маркировка | Диаметр вала Дюймы |
a | h | e | b | s1 | s2 | g | W | Bi | n | вес | Крепежный винт |
Момент Hm |
| UCP201 | 1/2 | 127 | 33,3 | 95 | 38 | 11 | 14 | 14,2 | 65 | 31 | 12,7 | 0,13 | M10 | 18 |
| UCP202 | 9/16 | 127 | 33,3 | 95 | 38 | 11 | 14 | 14,2 | 65 | 31 | 12,7 | 0,13 | M10 | 18 |
| UCP202 | 5/8 | 127 | 33,3 | 95 | 38 | 11 | 14 | 14,2 | 65 | 31 | 12,7 | 0,13 | M10 | 18 |
| UCP203 | 11/16 | 127 | 33,3 | 95 | 38 | 11 | 14 | 14,2 | 65 | 31 | 12,7 | 0,13 | M10 | 18 |
| UCP204 | 3/4 | 127 | 33,3 | 95 | 38 | 11 | 14 | 14,2 | 65,5 | 31 | 12,7 | 0,13 | M10 | 18 |
| UCP205 | 13/16 | 140,5 | 36,5 | 105 | 38 | 11 | 14 | 14,5 | 71 | 34 | 14,3 | 0,14 | M10 | 25 |
| UCP205 | 7/8 | 140,5 | 36,5 | 105 | 38 | 11 | 14 | 14,5 | 71 | 34 | 14,3 | 0,14 | M10 | 25 |
| UCP205 | 15/16 | 140,5 | 36,5 | 105 | 38 | 11 | 14 | 14,5 | 71 | 34 | 14,3 | 0,14 | M10 | 25 |
| UCP205 | 1 | 140,5 | 36,5 | 105 | 38 | 11 | 14 | 14,5 | 71 | 34 | 14,3 | 0,14 | M10 | 25 |
| UCP206 | 1 1/16 | 163 | 42,9 | 119 | 46 | 14 | 18 | 17,8 | 84 | 38,1 | 15,9 | 0,24 | M12 | 30 |
| UCP206 | 1 1/8 | 163 | 42,9 | 119 | 46 | 14 | 18 | 17,8 | 84 | 38,1 | 15,9 | 0,24 | M12 | 30 |
| UCP206 | 1 3/16 | 163 | 42,9 | 119 | 46 | 14 | 18 | 17,8 | 84 | 38,1 | 15,9 | 0,24 | M12 | 30 |
| UCP206 | 1 1/4 | 163 | 42,9 | 119 | 46 | 14 | 18 | 17,8 | 84 | 38,1 | 15,9 | 0,24 | M12 | 30 |
| UCP207 | 1 1/4 | 168 | 47,6 | 127 | 48 | 14 | 18 | 18 | 94,5 | 42,9 | 17,5 | 0,27 | M12 | 35 |
| UCP207 | 1 5/16 | 168 | 47,6 | 127 | 48 | 14 | 18 | 18 | 94,5 | 42,9 | 17,5 | 0,27 | M12 | 35 |
| UCP207 | 1 3/8 | 168 | 47,6 | 127 | 48 | 14 | 18 | 18 | 94,5 | 42,9 | 17,5 | 0,27 | M12 | 35 |
| UCP207 | 1 7/16 | 168 | 47,6 | 127 | 48 | 14 | 18 | 18 | 94,5 | 42,9 | 17,5 | 0,27 | M12 | 35 |
| UCP208 | 1 1/2 | 184 | 49,2 | 137 | 54 | 14 | 18 | 19,5 | 101 | 49,2 | 19 | 0,35 | M12 | 45 |
| UCP208 | 1 9/16 | 184 | 49,2 | 137 | 54 | 14 | 18 | 19,5 | 101 | 49,2 | 19 | 0,35 | M12 | 45 |
| UCP209 | 1 5/8 | 192 | 54 | 146 | 54 | 17 | 20 | 23 | 106 | 49,2 | 19 | 0,41 | M16 | 50 |
| UCP209 | 1 11/16 | 192 | 54 | 146 | 54 | 17 | 20 | 23 | 106 | 49,2 | 19 | 0,41 | M16 | 50 |
| UCP209 | 1 3/4 | 192 | 54 | 146 | 54 | 17 | 20 | 23 | 106 | 49,2 | 19 | 0,41 | M16 | 50 |
| UCP210 | 1 13/16 | 206 | 57,2 | 159 | 60 | 17 | 20 | 23 | 114 | 51,6 | 19 | 0,47 | M16 | 55 |
| UCP210 | 1 7/8 | 206 | 57,2 | 159 | 60 | 17 | 20 | 23 | 114 | 51,6 | 19 | 0,47 | M16 | 55 |
| UCP210 | 1 15/16 | 206 | 57,2 | 159 | 60 | 17 | 20 | 23 | 114 | 51,6 | 19 | 0,47 | M16 | 55 |
| UCP210 | 2 | 206 | 57,2 | 159 | 60 | 17 | 20 | 23 | 114 | 51,6 | 19 | 0,47 | M16 | 55 |
| UCP211 | 2 | 219 | 63,5 | 171 | 60 | 20 | 23 | 23 | 125 | 55,6 | 22,2 | - | M16 | 60 |
| UCP211 | 2 1/16 | 219 | 63,5 | 171 | 60 | 20 | 23 | 23 | 125 | 55,6 | 22,2 | - | M16 | 60 |
| UCP211 | 2 1/8 | 219 | 63,5 | 171 | 60 | 20 | 23 | 23 | 125 | 55,6 | 22,2 | - | M16 | 60 |
| UCP211 | 2 3/16 | 219 | 63,5 | 171 | 60 | 20 | 23 | 23 | 125 | 55,6 | 22,2 | - | M16 | 60 |
| UCP212 | 2 1/4 | 241 | 69,8 | 184 | 70 | 20 | 23 | 25 | 138 | 65,1 | 25,4 | - | M16 | 65 |
| UCP212 | 2 5/16 | 241 | 69,8 | 184 | 70 | 20 | 23 | 25 | 138 | 65,1 | 25,4 | - | M16 | 65 |
| UCP212 | 2 3/8 | 241 | 69,8 | 184 | 70 | 20 | 23 | 25 | 138 | 65,1 | 25,4 | - | M16 | 65 |
| UCP212 | 2 7/16 | 241 | 69,8 | 184 | 70 | 20 | 23 | 25 | 138 | 65,1 | 25,4 | - | M16 | 65 |

