Предельные микрометры Mitutoyo серия 113 - вся информация | Техноберинг
Вход / Регистрация
Не определено /
Пн-Пт. с 8:00 до 17:30
8 (800) 700-72-07

В Вашем городе отсутствует филиал Technobearing.
Выберите почтовую доставку?

Нет. Выбрать другой город
Каталог товаров
Каталог товаров

Предельные микрометры Mitutoyo серия 113

• Шпиндель и пятка со скошенными краями.
• Предназначен для использования в качестве измерителя GO/±NG, задав нижний и верхний пределы измерения.

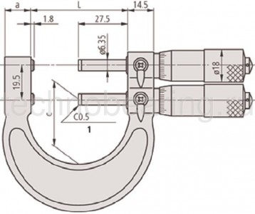
Предельные микрометры  Предельные микрометры схема

 

Метрические

 

Диапазон Точность L,мм а,мм с,мм Масса,г  
113-102 0-25 мм ±3 мкм 29,3 15 23   340 Под запрос
113-103 25-50 мм ±3 мкм 54,3 15 37   380 Под запрос

Предельные микрометры пример

Спецификация:

Точность См. перечень технических характеристик
Градуировка 0,01 мм
Шкалы Барабан и изолирующая трубка с матовым хромовым покрытием, 018 мм
Плоскостность 0,6 мкм
Параллельность (3+L/100) мкм L = макс. диапазон (мм)
Измерительные
поверхности
Твердосплавный наконечнике фаской, полированное покрытие
Рама С эмалированным покрытием
Измерительный
шпиндель
06,35 мм, шаг шпинделя 0,5 мм, с зажимом шпинделя
Поставка В комплекте с коробкой, установочной мерой (от 25 мм и выше), ключом