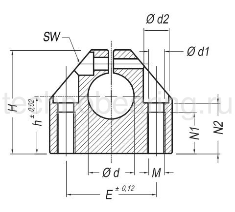
Опора FGWH16 FLI
Аналоги
-
АртикулЦена
-
Альтернативная маркировка TECHNIXFGWH16TECHNIXпо запросу
-
Альтернативная маркировка NBS2 867 руб.
Франция
