Опора с валом в сборе SBR30SNBS (00000015518) купить онлайн за 135 руб. | Техноберинг
Вход / Регистрация
Не определено /
Пн-Пт. с 8:00 до 17:30
8 (800) 700-72-07

В Вашем городе отсутствует филиал Technobearing.
Выберите почтовую доставку?

Нет. Выбрать другой город
Каталог товаров
Каталог товаров

Опора с валом в сборе SBR30SNBS

Артикул: 00000015518

Производитель: NBS

Страна бренда: Италия Италия

135 ₽/см
с НДС
  • В наличии:   Много Много
Пришлите заявку
Бесплатная доставка
от 50000 рублей
Гарантия
12 месяцев
Предложим цену лучше!
Пришлите конкурентный счет
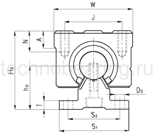
  • Вес, кг/см
    0,079
  • d, мм
    30
  • h1, мм
    22.8
  • B1, мм
    70
  • T, мм
    7
  • N, мм
    18
  • H, мм
    56
  • P, мм
    200
  • A, мм
    15
  • L max , мм
    4000
  • f, мм
    6.5
  • S2
    40
  • D1 мм
    M8
  • D2
    6.6
  • D3
    6.6
  • J мм
    50
  • D4, мм
    11
  • B2, мм
    50
  • S1, мм
    60
  • Вес рельсы, кг/м
    0.63
  • h0, мм
    37
  • h0, мм
    70
  • W, мм
    70

Оставьте отзыв

Опора с валом в сборе SBR30SNBS разработан для обеспечения стабильной и точной работы в системах с длинным ходом. Опорная база снижает вибрации, уменьшает прогиб вала и помогает равномерно распределять нагрузку во время эксплуатации.

Этот вал может применяться в системах линейного перемещения, как вал для станков и других автоматизированных механизмов, где важны надёжность и точность. Он также облегчает техническое обслуживание оборудования при работе в условиях повышенной нагрузки.

  • Материал: сталь Cf53.
  • Диаметр: 30 мм.
  • Удельный вес: 0,079 кг/см.

Аналоги

  • Артикул
    Цена
  • Альтернативная маркировка TECHNIX
    36 руб.

С этим товаром покупают