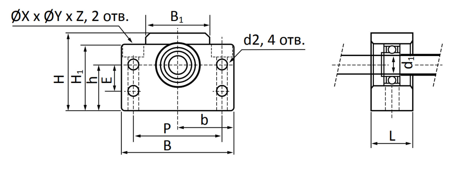
Опора ШВП BF30 ISKRA
-
Ширина B, мм128
-
Расстояние от центра подшипника до края опоры b, мм64
-
Ширина выступа B1, мм76
-
Диаметр отверстия X, мм14
-
Диаметр отверстия Y, мм20
-
Размер шляпы Z, мм13
-
Диаметр отверстий d2, мм11
-
Высота основания опоры без выступа H1, мм78
-
Межцентровое расстояние крепежных отверстий E, мм33
-
Межцентровое расстояние крепежных отверстий P, мм102
-
Размер h, мм51
-
Диаметр вала d1, мм30
-
Высота H, мм89
-
Вес, кг1.95
-
Стопорное кольцоS30
-
Длина L, мм32
Аналоги
-
АртикулЦена
-
Альтернативная маркировка TECHNIX4 216 руб.
Россия
