• Легко читаемая шкала.
• Основание и измерительные поверхности закалены и отполированы.
• С точной регулировкой.
Метрические:
| № | Диапазон | Точность | L, мм | Масса, г | |
| 527-301-50 | 0-150 мм | ±0,05 мм | 260 | 280 | Под запрос |
| 527-302-50 | 0-200 мм | ±0,05 мм | 310 | 300 | Под запрос |
| 527-303-50 | 0-300 мм | ±0,08 мм | 410 | 340 | Под запрос |
Дюймовые:
| № | Диапазон | Точность | L, мм | Масса, г | |
| 527-311-50* | 0-6" | ±0.001" | 260 | 280 | Под запрос |
| 527-312-50* | 0-8" | ±0.001" | 310 | 300 | Под запрос |
| 527-313-50* | 0-12" | ±0.0015" | 410 | 340 | Под запрос |
Аксессуары:
| № | Описание | |
| 900370 | Сменное основание 180 мм для диапазона до 300 мм Толщина 8 мм | Под запрос |
| 900371 | Сменное основание 260 мм для диапазона до 300 мм Толщина 8 мм | Под запрос |
| 900372 | Сменное основание 320 мм для диапазона до 300 мм Толщина 8 мм | Под запрос |
| Для дюймовых | ||
| 900367 | Сменное основание 7“ для диапазона до 12' | Под запрос |
| 900368 | Сменное основание 10' для диапазона до 12' | Под запрос |
| 900369 | Сменное основание 12' для диапазона до 12' | Под запрос |
Спецификация:
| Точность | См. перечень технических характеристик |
| Градуировка | 0,05 мм |
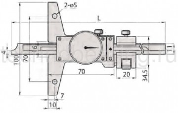
| Базовый размер | 100x6,5 мм (WxT) |

